
Have you ever ever tried squeezing a LoRa and GPS module right into a wearable gadget? It’s a nightmare! Most modules are enormous, and utilizing separate ones for LoRa and GPS will increase each value and area. This makes designing modern, compact gadgets like health trackers or IoT devices tremendous tough. Plus, wiring them to boards like Arduino, ESP, or nRF can really feel like untangling a large number of cables.
That’s why we’re excited to share our answer: a brilliant tiny, coin-sized (3 cm!) LoRa + GPS module that’s good for wearables and works like a appeal with the IndusBoard Coin through an FPC cable.

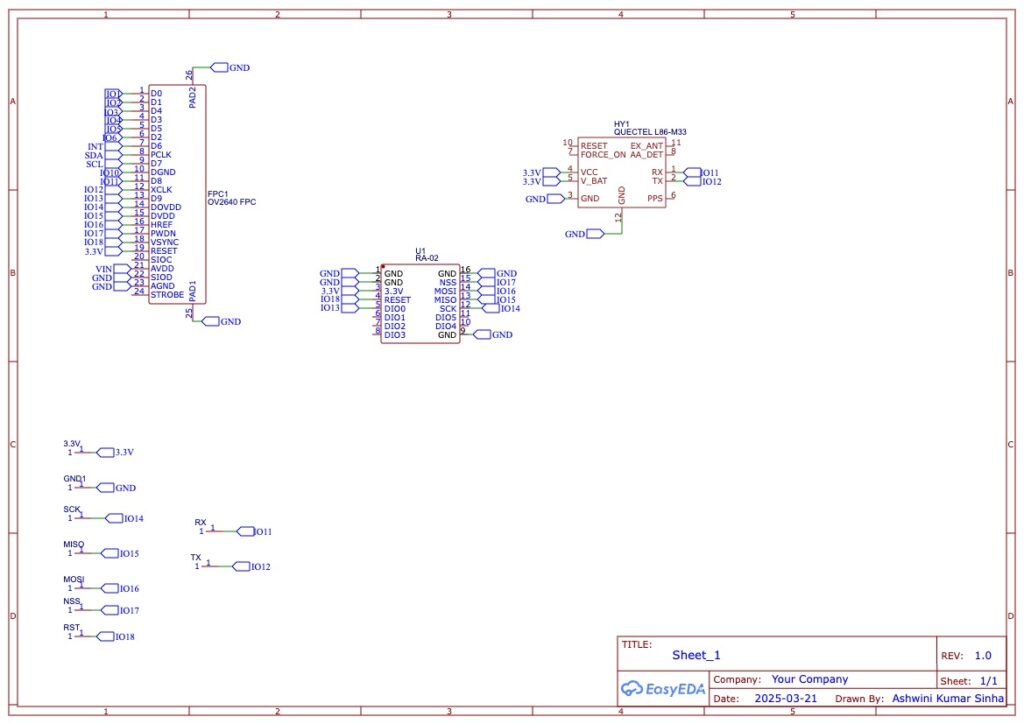
It’s additionally suitable with Arduino, ESP, nRF, and different boards via commonplace I/O pins. Powered by the Quectel L86-M33 GPS chip for exact monitoring and the Ai-Thinker RA-02 LoRa module for long-range communication, this module is a game-changer. The GPS runs on USART, and LoRa makes use of SPI, with each interfaces out there through the FPC connector or I/O pins.
Better of all? It’s free and open-source! The design recordsdata are freely out there for anybody to change, manufacture, and use for private or industrial tasks. When you’re pairing it with the IndusBoardCoin, it’s fully free to make use of commercially, making it a incredible selection for startups, hobbyists, and innovators. Let’s dive into how we constructed this superior module!
Why This Module is Superior
This little module is full of options that make it good for wearables and IoT:
- Tremendous Small: Simply 3 cm in diameter, it’s coin-sized and matches in tiny gadgets like wristbands or trackers.
- All-in-One: Combines LoRa (as much as 15 km vary!) and GPS for location monitoring in a single compact package deal.
- Wearable-Prepared: Connects seamlessly to the IndusBoardCoin through a versatile FPC cable, best for modern designs.
- Versatile: Works with Arduino, ESP, nRF, and extra utilizing commonplace I/O pins, so it’s nice for any venture.
- Energy-Saver: Makes use of simply 1 mA in standby, good for battery-powered wearables.
- Open-Supply: Free to change and use, with no strings connected (and free for industrial use with IndusBoardCoin!).
Invoice of Supplies (BOM)
Right here’s what you have to construct this module:

Circuit Design
We designed the circuit to be compact and simple to work with:
- Energy: Each GPS and LoRa run on 3.3V, equipped by the IndusBoardCoin (through FPC) or different boards (through pins).
- GPS (USART): The L86-M33 makes use of USART (TX/RX) at 9600 baud, linked to the FPC and I/O pins for simple entry.
- LoRa (SPI): The RA-02 communicates through SPI (NSS, MOSI, MISO, SCK, RST, DIO0), with a 32 MHz crystal for correct timing. These indicators go to each FPC and I/O pins.
- Antennas: The GPS has a built-in antenna, and the LoRa module makes use of a U.FL connector for an exterior antenna to spice up vary.
- Connections: A ten-pin FPC connector hooks as much as the IndusBoardCoin, whereas an 8-pin header connects to Arduino, ESP, or nRF boards.

PCB Design
Subsequent, we’ll design the PCB. Right here we hold the dimensions round 3cm and coin-shaped.
Our 2-layer, 3 cm diameter PCB is designed to avoid wasting area whereas delivering high efficiency:
- Prime Layer: Hosts the RA-02 LoRa module, FPC connector, and small parts like capacitors and the crystal. SPI traces are brief for clear indicators.
- Backside Layer: The L86-M33 GPS module sits right here, with its antenna dealing with out for higher satellite tv for pc reception. USART traces are routed fastidiously to keep away from noise.
- Good Design: We used FR4 with 1 oz copper for affordability. Floor planes scale back interference, and 0805 SMD parts make meeting straightforward. The FPC connector and pin headers are positioned for fast connections.
We created the PCB in EasyEDA and generated Gerber recordsdata for manufacturing. It’s tiny, environment friendly, and prepared for wearables!

Manufacturing
You may both get the entire module PCB manufactured and SMT finished from the PCB producer, or you possibly can order the SKETCHIL from the producer and do SMT at dwelling utilizing a gun blower, SMD solder flux, and SKETCHIL.
If doing SMD soldering at dwelling, comply with the steps under; in any other case, you possibly can skip to the testing part.
SMD Soldering
To do SMD soldering, you want the SMD Flux equipment that features the SMD soldering syringe, the FLUX and sketchil that you simply get from the PCB producer.
Now, do put the FLUX on the PCB utilizing sketchil or the syringe after which put the part to be soldered there after which apply the new air gun. And it’s finished.


Testing: Making Positive It’s Superior
We examined the module totally to make sure it’s prepared in your tasks:
- Plug the FPC cable into the IndusBoard Coin and Module FPC.
- Energy Take a look at: Join it to an IndusBoardCoin or Arduino. It ought to draw ~20 mA (GPS) and eight mA (LoRa RX) at 3.3V.
- GPS Take a look at: Use TinyGPS++ to learn location knowledge outdoor. It locks onto satellites in 2-3 minutes with ±2.5 m accuracy.
- LoRa Take a look at: Arrange two modules (sender and receiver) with the LoRa library. Ship GPS knowledge over 1 km in city areas or 15 km in open areas.
- Compatibility: Take a look at with ESP32, nRF52840, Arduino Uno (through I/O pins), and IndusBoardCoin (through FPC). All indicators (USART, SPI) ought to work completely.
- Wearable Take a look at: Combine it right into a wristband prototype. Affirm it tracks location and sends knowledge reliably whereas staying power-efficient.




